
產品型號: W-36CS切削輪流利條系列
產品名稱:φ36福來輪 W-36CS切削輪流利條
切削式滾輪流利條使用切削滾輪、福來輪、滾筒等,形式多樣。
>>說明
1.滾輪直徑:φ36
2.可以根據客戶要求定做。
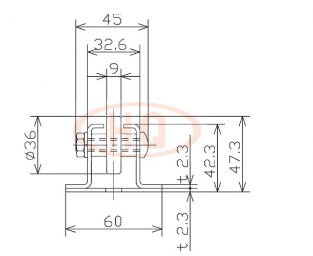
>>示意圖
>>仕様表
(単位 mm)
型 號 | 福來輪尺寸 | 使用軸 |
W-36CS | 36×9×8.2×28 | M8 ×40L |
框架尺寸 | 機高 | 全 長 | 福來輪中心距 | 彎道半徑 | 單只福來輪承載(kg) | 參考 |
42.3×60×32.6×45×2.3 | 47.3 | 1,800?2,400 | 50?75 | 1,000 | 40 | 單列型 |