
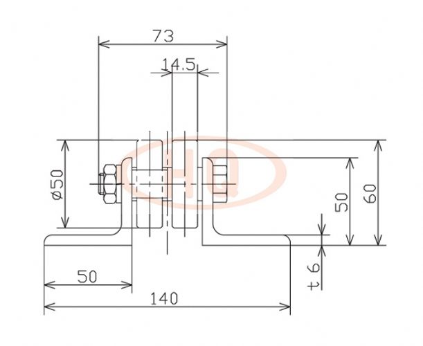
產品型號: W-50WW千鳥型切削輪流利條
產品名稱:φ50福來輪 W-50WW千鳥型切削輪流利條
切削式滾輪流利條使用切削滾輪、福來輪、滾筒等,形式多樣。
>>說明
1.滾輪直徑:φ50
2.可以根據客戶要求定做。
>>示意圖


>>仕様表
(単位 mm)
型 號 | 福來輪尺寸 | 使用軸 |
W-50WW | 50×14.5×12.2×20 | M12 ×65L |
框架尺寸 | 機高 | 全 長 | 福來輪中心距 | 彎道半徑 | 單只福來輪承載(kg) | 參考 |
50×140×50×73×6 | 60 | 1,000?2,000 | 40?50?75 | 1,000 | 100 | 千鳥型 交錯型 |